homepage farettiincasso

Confronta e trova il miglior prezzo

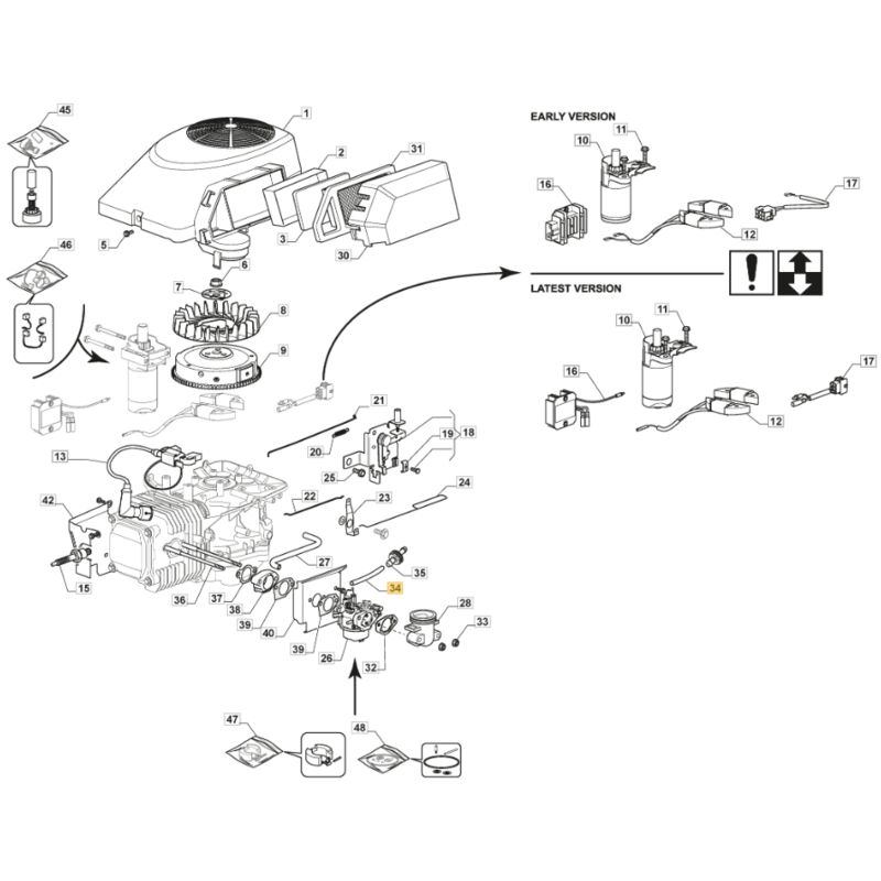
foto del prodotto tubo benzina originale stiga motore tre0702 trattorino tagliaerba 118551514/0
Vai al negozio € 5,00

tubo benzina originale stiga motore tre0702 trattorino tagliaerba 118551514/0

Specifiche in Breve

Confronta i Prezzi e Risparmia!

I prezzi sono indicativi e possono variare senza preavviso.

Miglior Prezzo!
ManoMano IT

Spedizione: Standard

€ 5,00

spedizione 9,90

Miglior Prezzo!
ebay

Spedizione: Standard

€ 5,00

spedizione 9,90

Shopdolce di Dolce Cristian via convento 60 85057 Tramutola (Pz) P.iva 01714230768 C.F. DLCCST85D08E977Z